Контакты
Новости
Каталоги
 Войти
Сортировать:
Сначала новые
Сначала старые
Цена ↑
Цена ↓
Кол-во ↑
Кол-во ↓
Имя A→Я
Имя Я→A
Серийник ↑
Серийник ↓
87531094 - кронштейн
76 ₽
87531172 - Крышка
312 ₽
87531406 - накладка
331 ₽
87531412 - крышка
560 ₽
87531424 - пластина
1 389 ₽
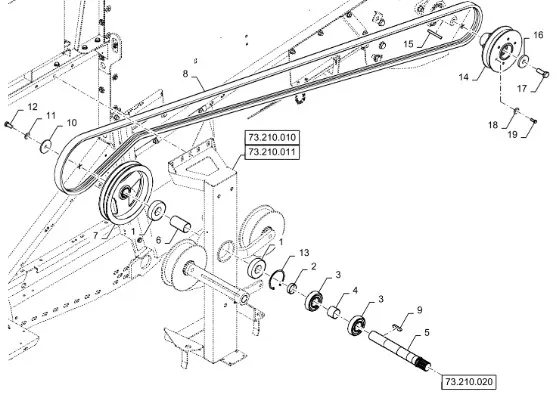
87531428 - Ремень привода вент. охл. ДВС Ford 675 TM/MXM
7 196 ₽
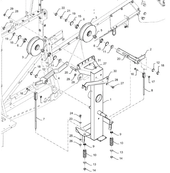
87531467 - рычаг
23 181 ₽
87531477 - Вал шкива ремня измельчителя с осн. привода ТС5080, ТС5.90
55 242 ₽
87531481 - Распорка
1 113 ₽
87531486 - золотник
83 744 ₽
87531500 - заглушка
875 ₽
87531620 - Люк
589 756 ₽
87531674 - Штифт
82 640 ₽
87531675 - кольцо
634 ₽
AGCO236880020590 -
3 672 ₽
76094157 - колено
1 736 ₽
810427991 -
3 160 ₽
84056253 - индикатор
2 229 ₽
84408927 - пружина
1 900 ₽
84447689 - Шплинт вала
3 008 ₽
87531701 - тросик
5 668 ₽
87531704 - Кабель
4 271 ₽
87531705 - тросик
8 554 ₽
87531706 - Тросик ручного тормоза 1210 мм. Т7 до 09г.в.
6 402 ₽
«
<
1
...
298
299
300
301
302
...
34117
>
»
Страница:
Перейти